{{ variable.name }}
Quantity:
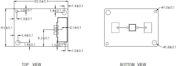
Sensor appearance and interface(mm)



Sensor features:
l Working frequency:24G-24.25GHz
l Equivalent isotropic radiation efficiency(EIRP):6dBm
l Phase noise:-96dBc/Hz@1MHz offset
l Receive noise figure:10dB DSB
l Power consumption 55mA@Vcc=5V
l Effective linear detection distance:6m
l Detection angle (3dB): horizontal ±41°, vertical ±38°
l Not affected by temperature, humidity, airflow, dust, noise, brightness, etc., strong anti-interference ability
l Can transfer through acrylic, glass, plastic and other thin non-metallic materials